Description
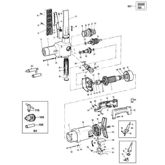
The Main Assembly for the DeWalt DW152 Type 1 Mixer Drill includes key components essential for its operation and maintenance. This genuine DeWalt part ensures optimal performance and longevity. The assembly typically features parts such as gears, bearings, and housing elements, all designed to work seamlessly together. Ideal for routine maintenance and repairs, it helps maintain the drill's efficiency and reliability.
Reviews
Add a review
Write Your Own Review
Ask a Question
Customer Questions

