Description
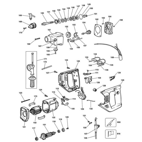
The Main Assembly for the DeWalt DW165K Type 1 Percussion Drill includes essential components to ensure optimal performance and durability. This genuine DeWalt part is designed to support the drill's functionality, providing reliable power and precision. Components may include gears, bearings, and housings, crucial for maintaining the drill's efficiency and longevity.
Reviews
Add a review
Write Your Own Review
Ask a Question
Customer Questions

