Description
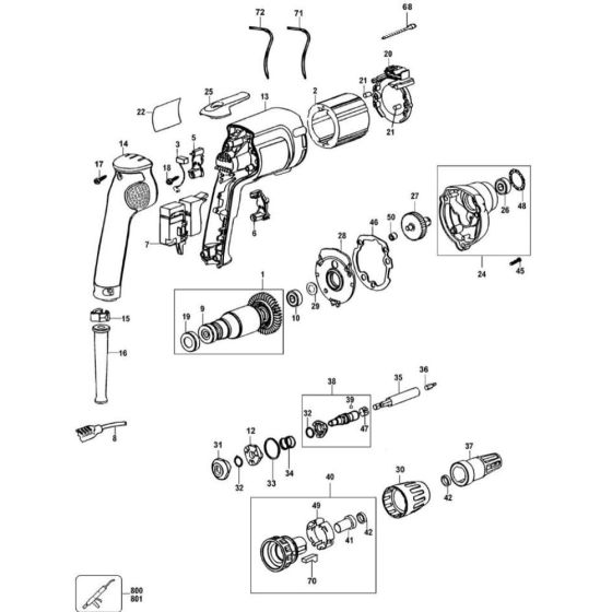
The Main Assembly for the DeWalt DW255 Type 2 Screwdriver includes essential components to ensure optimal performance and longevity. Designed for precise and efficient operation, this assembly helps maintain the screwdriver's functionality. Parts available may include gears, switches, housings, and fasteners, all genuine DeWalt components.
Reviews
Add a review
Write Your Own Review
Ask a Question
Customer Questions

