Description
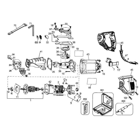
The Main Assembly for the DeWalt DW303K Type 2 Cut Saw is a genuine DeWalt part designed to ensure optimal performance and longevity of your tool. This assembly includes key components necessary for the efficient operation of the saw, such as gears, bearings, and housings. Regular maintenance with genuine parts helps maintain cutting precision and tool reliability.
Reviews
Add a review
Write Your Own Review
Ask a Question
Customer Questions

