Description
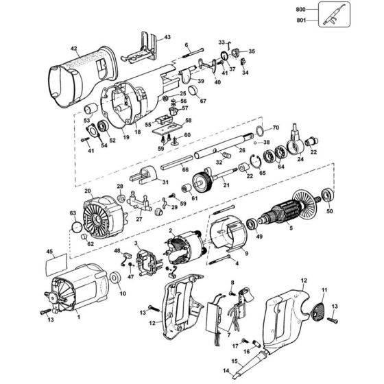
The Main Assembly for the DeWalt DW309 Type 2 Cut Saw includes essential components to ensure optimal performance and longevity. This genuine DeWalt part is designed for precise cutting tasks, providing reliable operation. Key components may include gears, bearings, and housings, all contributing to the saw's efficiency and durability.
Reviews
Add a review
Write Your Own Review
Ask a Question
Customer Questions

