Description
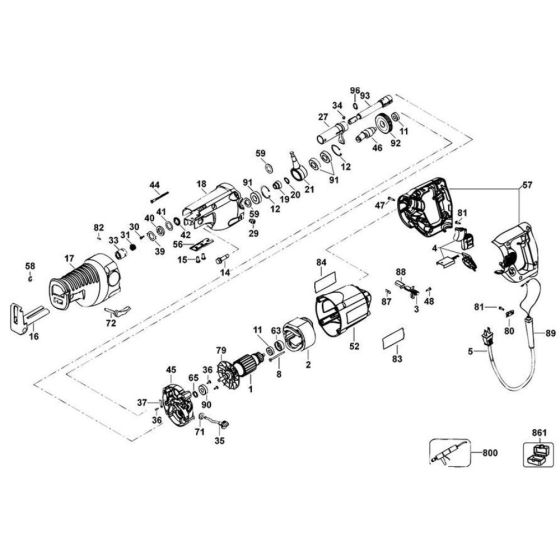
The Main Assembly for the DeWalt DW311 Type 2 Cut Saw includes essential components designed to ensure optimal performance and longevity. This genuine DeWalt part is crucial for maintaining the saw's cutting efficiency and reliability. Components such as gears, bearings, and housings are included to support the saw's operation and durability.
Reviews
Add a review
Write Your Own Review
Ask a Question
Customer Questions

