Description
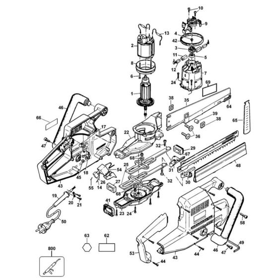
The Main Assembly for the DeWalt DW392L Type 4 Universal Alligator Saw includes key components essential for optimal performance. This genuine DeWalt part ensures the saw operates efficiently, providing reliable cutting power for various applications. Components may include gears, housings, and fasteners, all designed to maintain the saw's functionality and durability.
Reviews
Add a review
Write Your Own Review
Ask a Question
Customer Questions

