Description
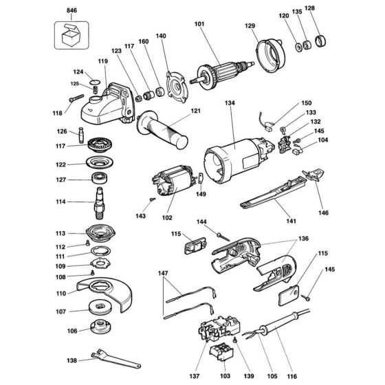
Main Assembly for DeWalt DW401K Type 1 Angle Grinders includes essential components to ensure optimal performance and durability. This assembly is crucial for maintaining the grinder's efficiency and includes parts like gears, bearings, and housings. Genuine DeWalt parts ensure compatibility and reliability for professional and DIY use.
Reviews
Add a review
Write Your Own Review
Ask a Question
Customer Questions

