Description
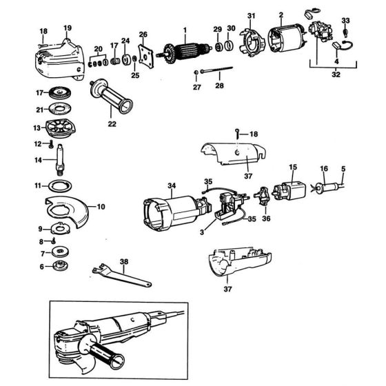
The Main Assembly for DeWalt DW405 Type 1 Angle Grinders includes essential components to ensure optimal performance and durability. This assembly is crucial for maintaining the grinder's efficiency and includes parts such as gears, bearings, and housings. Designed for easy integration and reliable operation, these genuine DeWalt parts help extend the life of your angle grinder.
Reviews
Add a review
Write Your Own Review
Ask a Question
Customer Questions

