Description
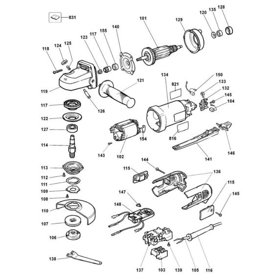
The Main Assembly for DeWalt DW458 Type 2 Angle Grinders includes key components essential for the tool's operation and longevity. Designed to ensure optimal performance, this assembly features genuine DeWalt parts such as gears, bearings, and housings. These components work together to deliver reliable power and precision for various grinding tasks.
Reviews
Add a review
Write Your Own Review
Ask a Question
Customer Questions

