Description
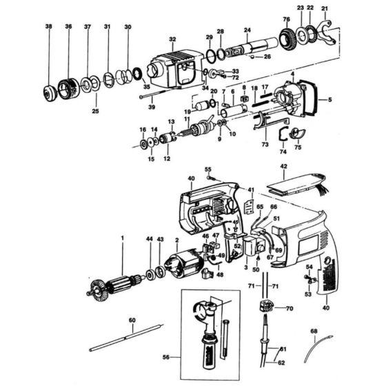
The Main Assembly for the DeWalt DW514K44 Type 1 Rotary Hammer includes essential components for optimal performance and durability. Designed to support the tool's function, this assembly features parts such as gears, bearings, and seals. These components ensure efficient operation and longevity, making it suitable for heavy-duty drilling tasks. Available in genuine and non-genuine options.
Reviews
Add a review
Write Your Own Review
Ask a Question
Customer Questions

