Description
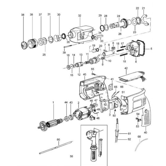
The Main Assembly for the DeWalt DW523K Type 1 Rotary Hammer includes key components essential for optimal tool performance. This assembly ensures efficient operation and longevity by integrating parts like gears, bearings, and seals. Suitable for both genuine and non-genuine parts, it supports maintenance and repair needs, enhancing the tool's reliability and effectiveness.
Reviews
Add a review
Write Your Own Review
Ask a Question
Customer Questions

