Description
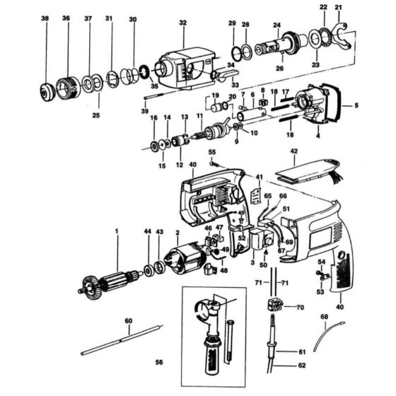
The Main Assembly for the DeWalt DW523K35 Type 1 Rotary Hammer includes crucial components designed to ensure optimal performance and durability. This assembly helps maintain the tool's efficiency by providing essential parts such as gears, seals, and fasteners. Suitable for routine maintenance and repairs, it supports the hammer's function in drilling and chiselling tasks.
Reviews
Add a review
Write Your Own Review
Ask a Question
Customer Questions

