Description
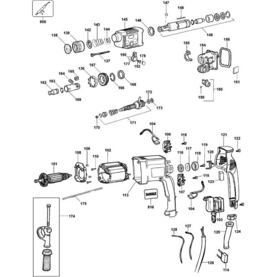
The Main Assembly for the DeWalt DW561 Type 4 Rotary Hammer includes key components essential for its operation and maintenance. This assembly ensures optimal performance and longevity of the tool. It features parts such as gears, bearings, and seals, all designed to withstand the rigours of heavy-duty use. Available in both genuine and non-genuine options.
Reviews
Add a review
Write Your Own Review
Ask a Question
Customer Questions

