Description
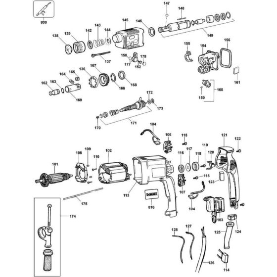
The Main Assembly for the DeWalt DW561 Type 5 Rotary Hammer includes essential components to ensure optimal performance and longevity. Designed for efficient drilling and chiselling, this assembly features parts such as gears, bearings, and seals. Suitable for both genuine and non-genuine parts, it supports maintenance and repair needs.
Reviews
Add a review
Write Your Own Review
Ask a Question
Customer Questions

