Description
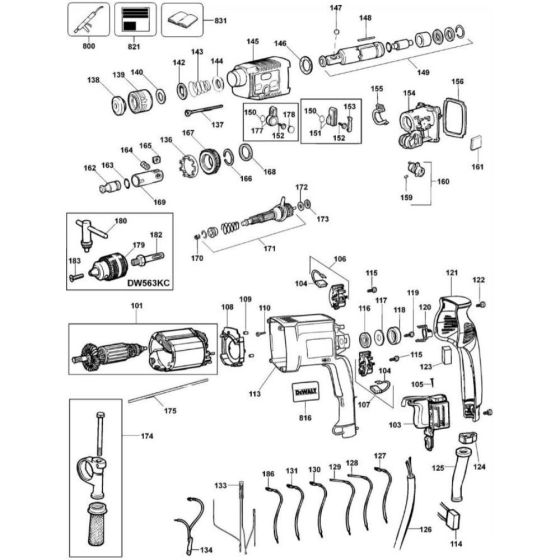
The Main Assembly for the DeWalt DW563 Type 3 Rotary Hammer includes essential components to ensure optimal performance and durability. This assembly is crucial for maintaining the tool's efficiency and includes parts such as gears, bearings, and seals. Both genuine and non-genuine parts are available, allowing for flexibility in repairs and maintenance.
Reviews
Add a review
Write Your Own Review
Ask a Question
Customer Questions

