Description
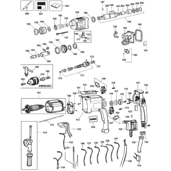
The Main Assembly for the DeWalt DW563K-Type-2 Rotary Hammer includes key components essential for its operation and maintenance. Designed to ensure optimal performance, this assembly helps in efficient drilling and chiselling tasks. Available parts may include gears, bearings, seals, and switches, catering to both genuine and non-genuine options.
Reviews
Add a review
Write Your Own Review
Ask a Question
Customer Questions

