Description
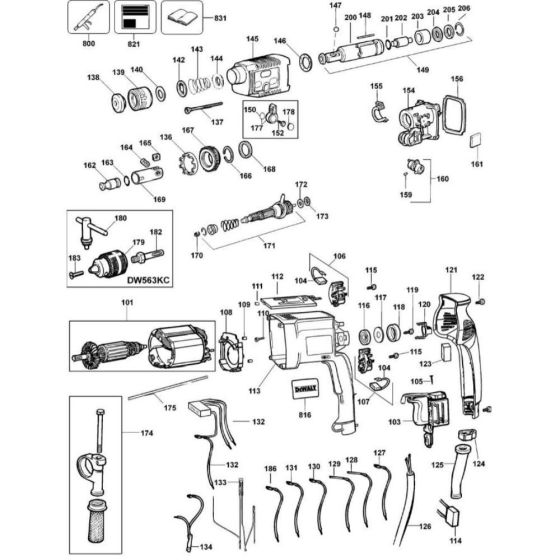
The Main Assembly for the DeWalt DW563K Type 3 Rotary Hammer includes essential components to ensure optimal performance and durability. This assembly is crucial for maintaining the tool's efficiency in drilling and chiselling tasks. Available parts may include gears, bearings, seals, and switches, catering to both genuine and non-genuine options.
Reviews
Add a review
Write Your Own Review
Ask a Question
Customer Questions

