Description
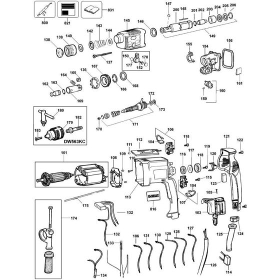
The Main Assembly for the DeWalt DW563K Type 4 Rotary Hammer includes essential components for maintaining and repairing this powerful tool. Designed to ensure optimal performance, the assembly features parts like gears, bearings, and seals. These components help in delivering efficient drilling and chiselling, extending the tool's service life.
Reviews
Add a review
Write Your Own Review
Ask a Question
Customer Questions

