Description
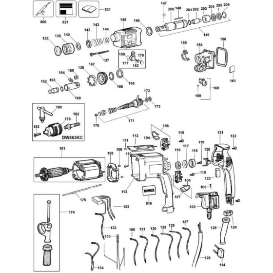
The Main Assembly for the DeWalt DW566K Type 2 Rotary Hammer includes key components essential for its operation. This assembly ensures optimal performance by integrating parts like gears, bearings, and seals. Designed for durability, it supports efficient drilling and chiselling tasks. Available in genuine and non-genuine options, it caters to various maintenance needs.
Reviews
Add a review
Write Your Own Review
Ask a Question
Customer Questions

