Description
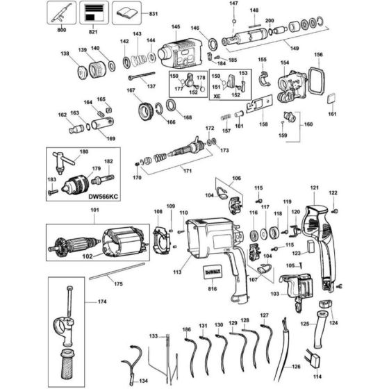
The Main Assembly for the DeWalt DW566K Type 4 Rotary Hammer includes crucial components to ensure optimal performance and longevity. This assembly is essential for maintaining the tool's efficiency, featuring parts such as gears, bearings, and seals. Both genuine and non-genuine parts are available to suit various maintenance needs.
Reviews
Add a review
Write Your Own Review
Ask a Question
Customer Questions

