Description
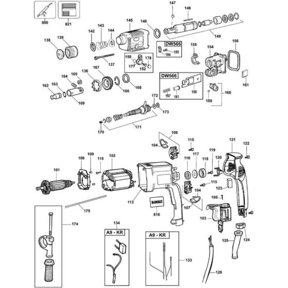
The Main Assembly for the DeWalt DW566K Type 5 Rotary Hammer includes key components essential for its operation and maintenance. This assembly ensures optimal performance and longevity of the tool. It features various parts such as gears, bearings, and seals, which are crucial for the hammer's functionality. Both genuine and non-genuine parts are available to suit different needs.
Reviews
Add a review
Write Your Own Review
Ask a Question
Customer Questions

