Description
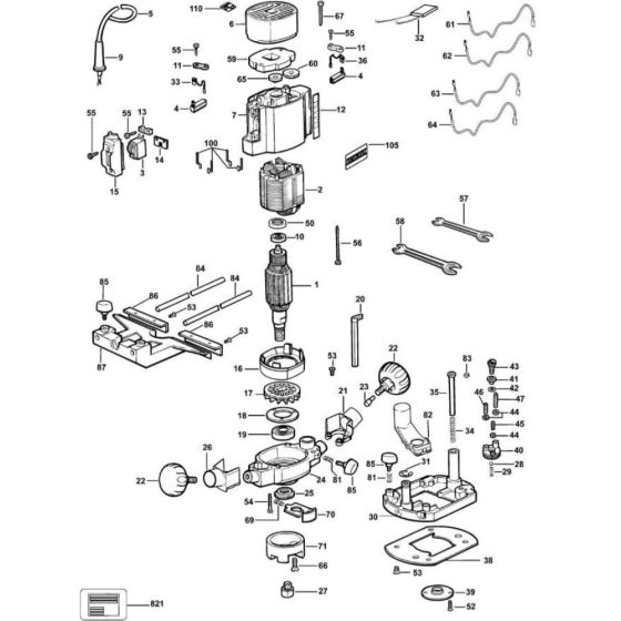
The Main Assembly for the DeWalt DW615 Type 5 Router includes essential components to ensure optimal performance and durability. This assembly is crucial for maintaining the router's precision and efficiency. Genuine DeWalt parts are used, providing reliability and compatibility. Components may include bearings, switches, and housings, all designed to support the router's functionality.
Reviews
Add a review
Write Your Own Review
Ask a Question
Customer Questions

