Description
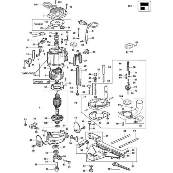
The Main Assembly for the DeWalt DW625E Type 6 Router includes essential components to ensure optimal performance and longevity. This assembly is crucial for maintaining the router's precision and efficiency. Genuine DeWalt parts are used to guarantee compatibility and reliability. Components may include bearings, clamps, and housings, designed for seamless integration and function.
Reviews
Add a review
Write Your Own Review
Ask a Question
Customer Questions

