Description
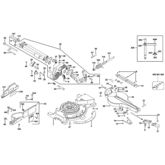
The Main Assembly for the DeWalt DW712 Type 5 Mitre Saw includes crucial components to ensure optimal performance and longevity. This genuine DeWalt part is designed to support precise cutting operations, featuring elements such as the blade guard, motor housing, and adjustment levers. Ideal for maintaining the saw's efficiency and accuracy.
Reviews
Add a review
Write Your Own Review
Ask a Question
Customer Questions

