Description
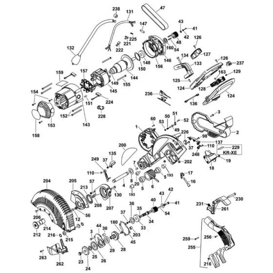
The Main Assembly for the DeWalt DW717 Type 1 Mitre Saw is a crucial component for maintaining the tool's precision and efficiency. This genuine DeWalt part ensures optimal performance by integrating key elements such as the blade guard, motor housing, and adjustment levers. Designed for durability, it supports accurate cutting and long-term reliability.
Reviews
Add a review
Write Your Own Review
Ask a Question
Customer Questions

