Description
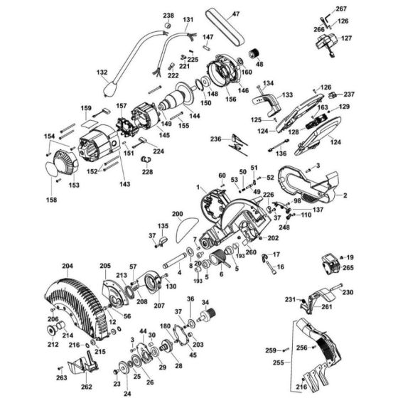
The Main Assembly for the DeWalt DW717XPS Type 3 Mitre Saw includes key components essential for its operation and precision. This genuine DeWalt part ensures optimal performance and longevity. Typical components may include brackets, levers, and fasteners, all designed to maintain the saw's accuracy and reliability during use.
Reviews
Add a review
Write Your Own Review
Ask a Question
Customer Questions

