Description
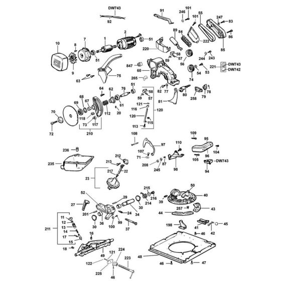
The Main Assembly for the DeWalt DW742 Type 4 Combination Saw includes essential components to ensure optimal performance and longevity. This genuine DeWalt part is designed for precise cutting tasks, providing reliable support for various woodworking applications. Key components may include brackets, levers, and fasteners, all contributing to the saw's efficient operation.
Reviews
Add a review
Write Your Own Review
Ask a Question
Customer Questions

