Description
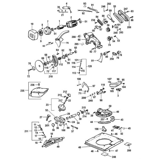
The Main Assembly for the DeWalt DW743 Type 1 Combination Saw includes key components essential for optimal operation. This genuine DeWalt part ensures compatibility and reliability. Typical components may include the blade guard, motor housing, and adjustment levers, all crucial for maintaining precision and safety during cutting tasks.
Reviews
Add a review
Write Your Own Review
Ask a Question
Customer Questions

