Description
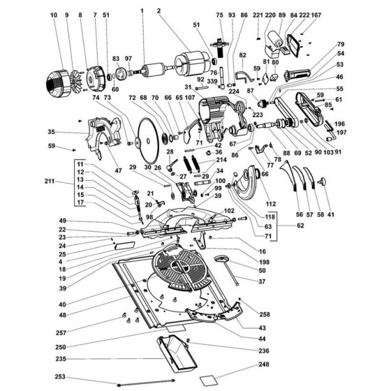
The Main Assembly for the DeWalt DW743 Type 5 Combination Saw includes crucial components to ensure optimal performance and longevity. This genuine DeWalt part is designed to fit seamlessly, providing stability and precision during cutting tasks. Typical components may include brackets, levers, and fasteners, all contributing to the saw's efficient operation.
Reviews
Add a review
Write Your Own Review
Ask a Question
Customer Questions

