Description
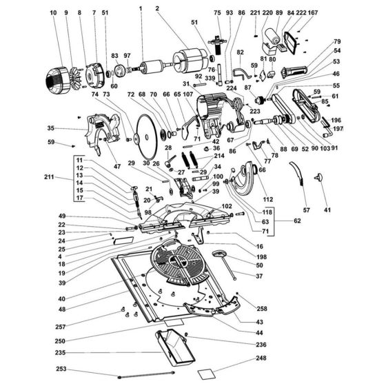
The Main Assembly for the DeWalt DW743 Type 6 Combination Saw is designed to ensure optimal performance and longevity. This genuine DeWalt part includes key components necessary for the saw's operation, such as the motor housing, blade guard, and adjustment levers. Ideal for routine maintenance and repairs, it helps maintain precision and safety during use.
Reviews
Add a review
Write Your Own Review
Ask a Question
Customer Questions

