Description
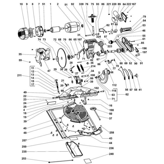
The Main Assembly for the DeWalt DW743N Type 1 Combination Saw is designed to ensure optimal performance and longevity. This genuine DeWalt part includes key components such as the motor housing, blade guard, and adjustment levers. These elements work together to provide precise cutting and reliable operation. Suitable for both professional and DIY use, this assembly supports various woodworking tasks.
Reviews
Add a review
Write Your Own Review
Ask a Question
Customer Questions

