Description
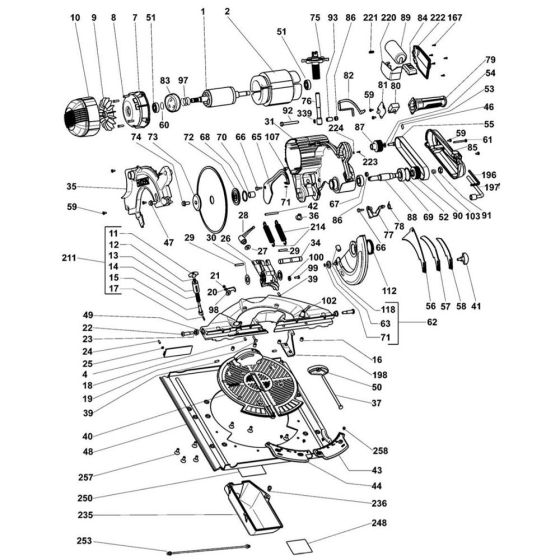
The Main Assembly for the DeWalt DW743N Type 2 Combination Saw includes key components essential for its operation. This genuine DeWalt part ensures optimal performance and longevity. The assembly typically features elements like the motor, blade guard, and base, all designed to work seamlessly together. Ideal for maintaining the saw's precision and efficiency in various cutting tasks.
Reviews
Add a review
Write Your Own Review
Ask a Question
Customer Questions

