Description
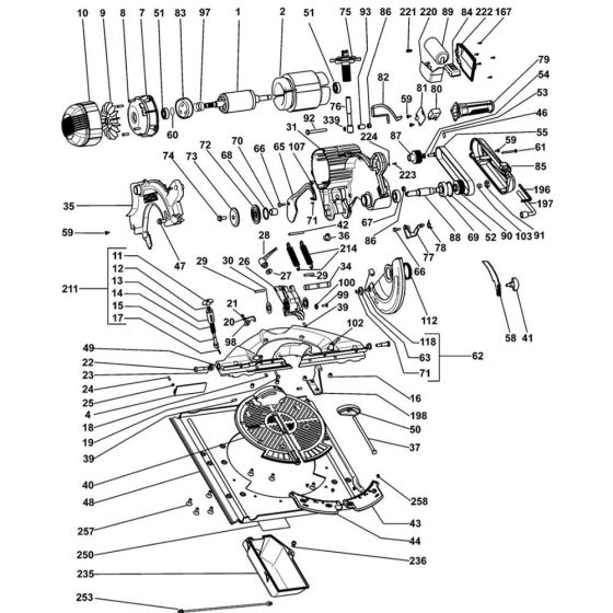
The Main Assembly for the DeWalt DW743N Type 4 Combination Saw includes crucial components to ensure optimal performance and longevity. This genuine DeWalt part is designed to support the saw's cutting and mitre functions, providing stability and precision. Typical components may include brackets, levers, and fasteners, essential for maintaining the saw's functionality.
Reviews
Add a review
Write Your Own Review
Ask a Question
Customer Questions

