Description
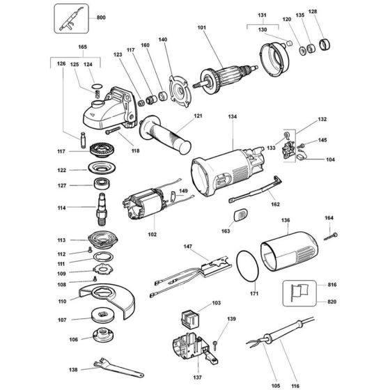
The Main Assembly for DeWalt DW825 Type 4 Angle Grinders comprises essential components to ensure optimal performance and longevity. This assembly includes genuine DeWalt parts designed for precise fitting and reliable operation. Typical components may include gears, bearings, and housings, all crucial for maintaining the grinder's efficiency and durability.
Reviews
Add a review
Write Your Own Review
Ask a Question
Customer Questions

