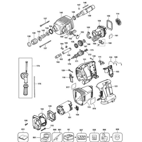
Description
The Main Assembly for the DeWalt DW999K Type 2 Rotary Hammer includes essential components for maintaining and repairing this powerful tool. Designed to ensure optimal performance, the assembly features parts such as gears, bearings, and seals. These components work together to deliver reliable operation and extend the lifespan of the rotary hammer.
Reviews
Add a review
Write Your Own Review
Ask a Question
Customer Questions

