Description
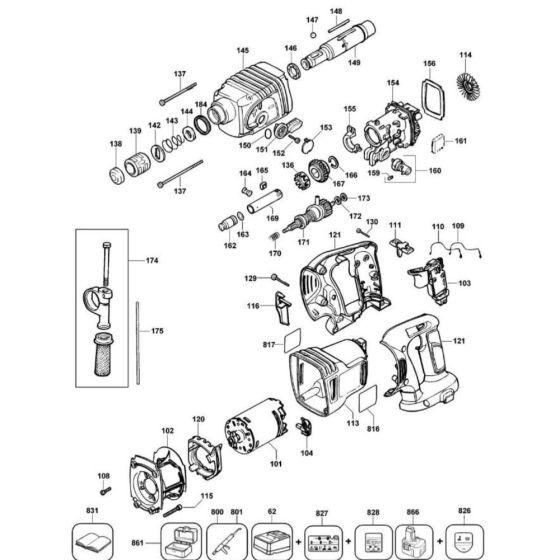
The Main Assembly for the DeWalt DW999K Type 3 Rotary Hammer includes essential components to ensure optimal performance and durability. Designed for both genuine and non-genuine parts, this assembly supports efficient drilling and chiselling tasks. Key components may include gears, bearings, and seals, crucial for maintaining the tool's functionality.
Reviews
Add a review
Write Your Own Review
Ask a Question
Customer Questions

