Description
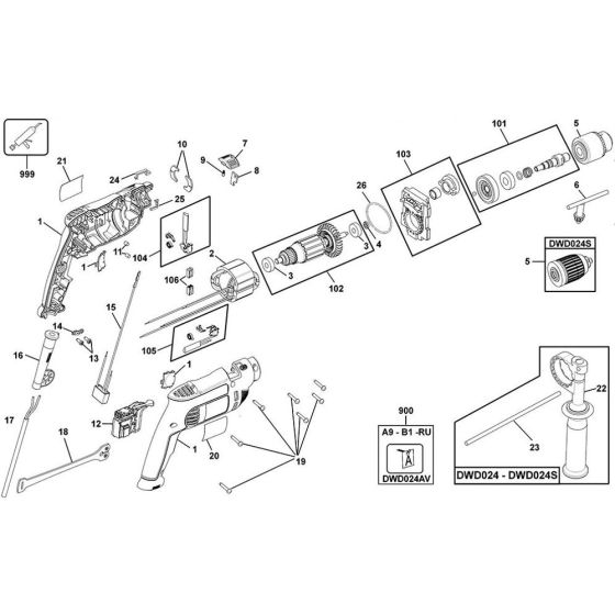
The Main Assembly for the DeWalt DWD024 Type 1 Percussion Drill includes key components essential for its operation and maintenance. This genuine DeWalt part ensures optimal performance and longevity. Typical components may include gears, bearings, and housing elements, all designed to withstand the rigours of regular use.
Reviews
Add a review
Write Your Own Review
Ask a Question
Customer Questions

