Description
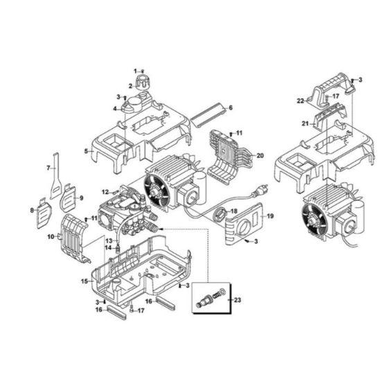
The Main Assembly for the DeWalt DXPW001CE Type 1 Pressure Washer includes essential components to ensure optimal performance and longevity. This assembly is crucial for maintaining the machine's efficiency, featuring parts such as hoses, nozzles, and connectors. Available in both genuine and non-genuine DeWalt options, it supports effective cleaning and maintenance tasks.
Reviews
Add a review
Write Your Own Review
Ask a Question
Customer Questions

