Description
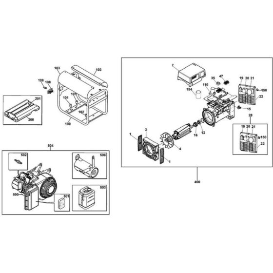
The Main Assembly for the DeWalt PE532THI00Q Type 1 Generator includes key components essential for optimal performance and longevity. This assembly ensures efficient operation by integrating parts such as gaskets, springs, and levers. Designed for both genuine and non-genuine parts, it supports routine maintenance and repair tasks, helping to maintain the generator's reliability and efficiency.
Reviews
Add a review
Write Your Own Review
Ask a Question
Customer Questions

