Description
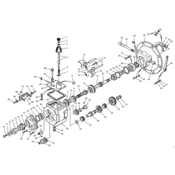
The Main Assembly for the Newage 40M Gearbox includes essential components designed to ensure optimal performance and longevity. This assembly is crucial for the smooth operation of the gearbox, providing reliable power transmission. Available parts may include gears, shafts, bearings, and seals, catering to both genuine and non-genuine spare part needs.
Reviews
Add a review
Write Your Own Review
Ask a Question
Customer Questions

