Description
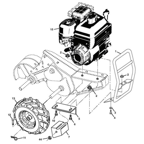
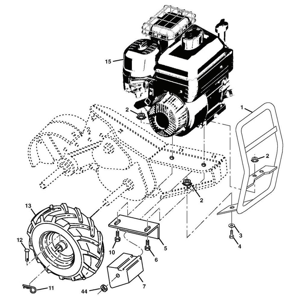
The Mainframe (Right) Assembly for the Husqvarna DRT 900 Cultivator/Tiller is essential for maintaining the structural integrity and functionality of your machine. This assembly includes key components that ensure stability and efficient operation during tilling tasks. Designed specifically for the Husqvarna DRT 900, it supports the cultivator's performance in various soil conditions.
Reviews
Add a review
Write Your Own Review
Ask a Question
Customer Questions

