
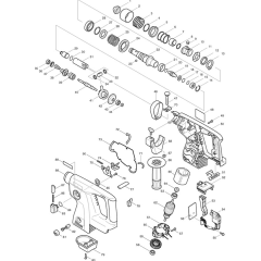
Makita BHR200 Hammer Drill Parts
Spares for Makita BHR200 24v Cordless SDS-Plus Rotary Hammer Drill.
Spares for Makita BHR200 24v Cordless SDS-Plus Rotary Hammer Drill.
Shop by diagram
All products
-
Makita Flat Washer 12 BTD043/063/103 - 267104-3£0.80 £0.67 -
Makita Line Filter UK360/Bub360/TD12 - 688165-4£0.94 £0.78 -
Makita Fan 44 BHR261/2/BHR262t/BHR26 - 240037-7£3.90 £3.25 -
Makita Ring Spring 26 HR2410/HR2420 - 231962-3£0.48 £0.40 -
Makita O Ring 17 HR2400/HR260dwh - 213265-7£0.62 £0.52 -
Makita Sponge BHR200 - 685730-0£0.58 £0.48 -
Makita Conical Comp Spring 7-14 BHR2 - 231999-0£0.79 £0.66 -
Makita Name Plate BHR200s - 852433-3£0.79 £0.66 -
Makita Pan HD Screw M4x8 AN451/BHR20 - 911110-7£0.79 £0.66 -
Makita Ext Din 471 Circlip-25/AN635h - 961105-0£0.79 £0.66 -
Makita Plane Bearing 26 BHR200s - 214405-0£0.94 £0.78 -
Makita Torsion Spring 9 BHR200 - 231678-0£0.94 £0.78 -
Makita Cap 31 HR160dw/HR1410/2420 - 286265-0£0.94 £0.78 -
Makita Guide Washer HR2410/2420/2430 - 344690-2£0.94 £0.78 -
Makita Sub Plate BHR200s - 345456-3£0.94 £0.78 -
Makita Cup Sq Neck Bolt M8x50 BHR200 - 266250-9£1.25 £1.04 -
Makita Support Plate BHR200s/BSR730s - 344898-8£1.25 £1.04 -
Makita Plate BHR200s - 344902-3£1.25 £1.04 -
Makita F/R Change Lever BHR200s - 417292-8£1.25 £1.04 -
Makita O Ring 12 BHR200s - 213124-5£1.42 £1.18 -
Makita Ring 12 BHR200s - 257231-4£1.42 £1.18 -
Makita Cup Washer 6 BHR200s - 344905-7£1.42 £1.18