
Makita BHR243 Hammer Drill Parts
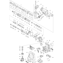
Spares for Makita BHR243 18v Li-ion SDS-Plus Brushless Rotary Hammer Drill.
Spares for Makita BHR243 18v Li-ion SDS-Plus Brushless Rotary Hammer Drill.
Shop by diagram
All products
-
Makita Label/Clear BHR262bHR262tbh - 893072-0£0.48 £0.40