
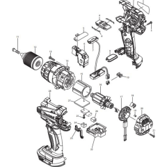
Makita DHP448RFE Cordless Hammer Driver Drill Parts
Genuine Spare Parts Available for Makita DHP448RFE Cordless Hammer Driver Drill. Complete Parts Breakdown Provided.
Genuine Spare Parts Available for Makita DHP448RFE Cordless Hammer Driver Drill. Complete Parts Breakdown Provided.
Shop by diagram
All products
-
Makita Tapping Screw Bind 3 x 16 - 266130-9£0.48 £0.40 -
Makita Heat Sink BHP448/458/BDF448/4 - 689176-2£3.38 £2.82 -
Makita Pan HD Screw M3x10 Dsd180 - 911013-5£0.48 £0.40 -
Makita Seal BTD134/146/BDF458 - 424430-5£0.62 £0.52 -
Makita Hex Locking Nut M4-7 Mt/TD126 - 252126-6£0.94 £0.78 -
Makita Grip Spring BHP448/458/BDF448 - 346566-9£2.70 £2.25 -
Makita Terminal Btm40/BDF446/BHP446 - 643866-1£3.38 £2.82 -
Makita Armature BHP448/BDF448 - 619299-2£22.76 £18.97 -
Makita Light Circuit BHP448/BDF448 - 620137-3£27.96 £23.30