
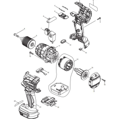
Makita DHP481RTJ Cordless Hammer Driver Drill Parts
Genuine Spare Parts Available for Makita DHP481RTJ Cordless Hammer Driver Drill. Complete Parts Breakdown Provided.
Genuine Spare Parts Available for Makita DHP481RTJ Cordless Hammer Driver Drill. Complete Parts Breakdown Provided.
Shop by diagram
All products
-
Makita Tapping Screw Bind 3 x 16 - 266130-9£0.48 £0.40 -
Makita Cushion DHP480/DDF480/TW1001 - 424517-3£0.62 £0.52 -
Rotor fits Makita DDF481 & DHP481 Drill - 619397-2£39.00 £32.50 -
Makita Retaining Ring Int R-15 DDF48 - 962055-2£0.48 £0.40 -
Makita Arm L DDF481/DHP481 - 319129-4£7.16 £5.97 -
Makita Led Circuit DHP481/DDF481 - 620283-2£10.14 £8.45