
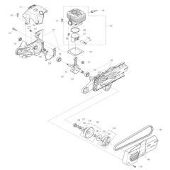
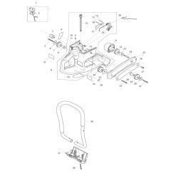
Makita EK7301 Disc Cutter Parts
Spares for Makita EK7301 Disc Cutter.
Spares for Makita EK7301 Disc Cutter.
Shop by diagram
All products
-
Gasket for Makita EK6100 Disc Cutter - 346876-4£0.94 £0.78 -
Spring for Makita EK6100 Disc Cutters - 234358-7£0.48 £0.40 -
Makita Spring Ring - OEM No. 234359-5£0.79 £0.66 -
Makita Ball Bearing 6203llu - 211281-3£4.20 £3.50 -
Cover Assembly for Makita EK7301 Disc Cutter - 395118121£43.85 £36.54 -
Ignition Coil Ek7300/7301 Makita OEM No. 161310-1£77.36 £64.47 -
Carburettor for Makita EK7301 Disc Cutters - OEM No. 162532-6£180.11 £150.09 -
Spring Washer 5 for Makita EK7301, EK8201 Disc Cutters - 267821-5Was £0.48 £0.40 Special Price £0.11 £0.09 -
Makita Spring Ring DPC6430/7331/8132 - 234366-8£0.48 £0.40 -
Makita Rubber Ring/Inner EK7650h/EK73 - 424426-6£3.64 £3.03