
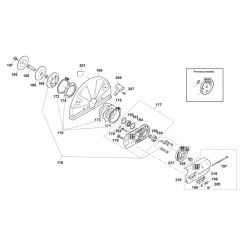
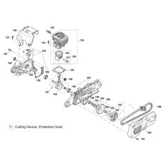
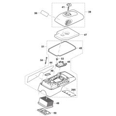
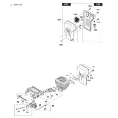
Makita DPC7321 Disc Cutter Parts
Spares for Makita DPC7321 Disc Cutter
Spares for Makita DPC7321 Disc Cutter
Shop by diagram
All products
-
Square Nut for Makita DPC6200 DPC6400 DPC6410£0.62 £0.52 -
Sponge Pre-Filter for Makita DPC6410 DPC6411£5.72 £4.77 -
Choke Lever for Makita DPC6200 DPC6400 DPC6410£4.56 £3.80 -
Crankcase for Makita DPC6200 DPC6400 DPC6410 DPC6430£190.56 £158.80 -
Decomp Valve for Makita DPC6200 DPC6400 DPC6410£20.68 £17.23 -
Cap Nut for Makita DPC6410/7311/8112 - 964802361£1.42 £1.18 -
Blade Shaft for Makita DPC6200 DPC6400 DPC6410 DCP6430£56.68 £47.23 -
Contact Spring for Makita DPC6430£3.12 £2.60