Description
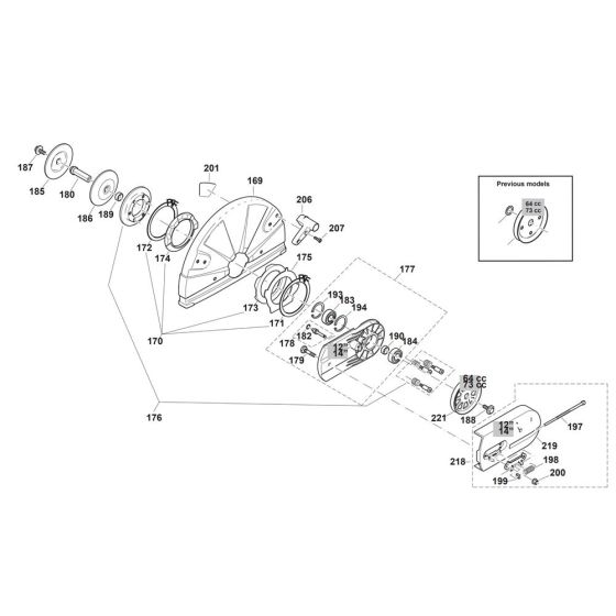
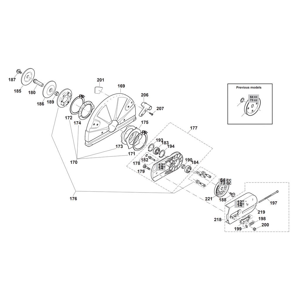
The Protection Hood Assembly for the Makita DPC7321 Disc Cutter is designed to safeguard users and enhance cutting precision. This assembly includes components such as the protective hood, clamps, and fasteners, ensuring optimal safety and performance during operation. Genuine Makita parts are used to maintain the integrity and reliability of the disc cutter.
Reviews
Add a review
Write Your Own Review
Ask a Question
Customer Questions

