
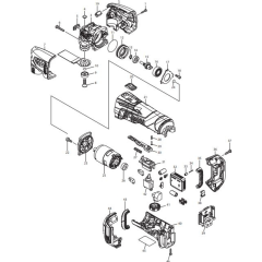
Makita DTM50RFX3 Cordless Multi Tool Parts
Genuine Spare Parts Available for Makita DTM50RFX3 Cordless Multi Tool. Complete Parts Breakdown Provided.
Genuine Spare Parts Available for Makita DTM50RFX3 Cordless Multi Tool. Complete Parts Breakdown Provided.
Shop by diagram
All products
-
Motor for Makita Btm50 Cordless Multi Tool - 629956-4£25.74 £21.45 -
Makita Handle Cover Btm40/50 - 453756-8£4.30 £3.58 -
Makita Compression Spring 3 Dtm51 - 233002-3£0.48 £0.40 -
Makita Compression Spring 5 Btm40/50 - 234263-8£0.48 £0.40 -
Makita Crank Housing Cap A Btm40/50 - 424510-7£0.62 £0.52 -
Makita Switch Case Btm40/50 - 453760-7£0.62 £0.52 -
Makita Line Filter Btd/Dtm51/DVC861l - 688161-2£0.62 £0.52 -
Makita Pan HD Screw M 4x12 Btm40/50 - 911516-9£0.62 £0.52 -
Makita O Ring 33 Btm40/50/Tm3000c - 213479-8£0.79 £0.66 -
Makita Housing Cover Btm40/50 - 453762-3£2.99 £2.49 -
Makita Bearing Box Btm40/50 - 326187-3£6.64 £5.53 -
Makita Crank Shaft Btm40/50 - 326186-5£8.84 £7.37 -
Makita Led Circuit Btm40/50 - 620146-2£11.18 £9.32 -
Makita Sphere Bearing 706 Btm40/50 - 211392-4£34.58 £28.82